搜索
产品展示
研发、生产及销售中高压电力电缆附件

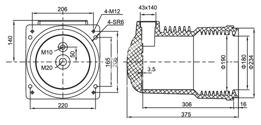
触头盒 CHZ1-20/250×250 2000A~2500A

产品型号:CHZ1-20/250×250 2000A~2500A

所属分类:环氧树脂浇注绝缘件

在线订购

产品详情

114_触头盒 CHZ1-20/250×250 2000A~2500A_2_第36页_24kV配套件系列.jpg

上一篇:触头盒 CHZ2-20/250×250

下一篇:触头盒 CHZ1A-20/250×250 2500A~3150A