首页
走进丹高
公司简介
企业文化
生产基地
资质荣誉
产品展示
电流互感器系列
电压互感器系列
环氧树脂浇注绝缘件
SMC(DMC)模压绝缘件
技术中心
生产设备
检测设备
新闻动态
公司新闻
人力资源
人才理念
招贤纳士
联系我们
联系方式
在线留言
搜索
首页
走进丹高
公司简介
企业文化
生产基地
资质荣誉
产品展示
电流互感器系列
电压互感器系列
环氧树脂浇注绝缘件
SMC(DMC)模压绝缘件
技术中心
生产设备
检测设备
新闻动态
公司新闻
人力资源
人才理念
招贤纳士
联系我们
联系方式
在线留言
产品展示
研发、生产及销售中高压电力电缆附件
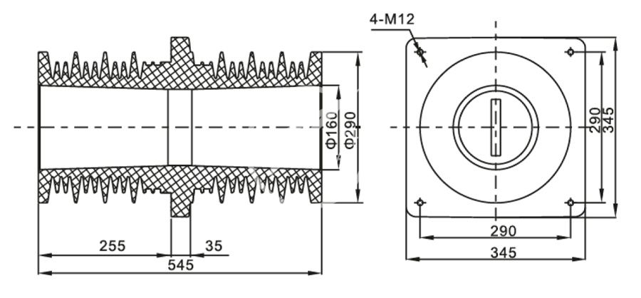
套管 带屏蔽网TGZ1-35W/345×345
产品型号:TGZ1-35W/345×345
所属分类:环氧树脂浇注绝缘件
在线订购
产品详情
上一篇:
套管TGZ1-35W/300×300
下一篇:
TNZ12-35绝缘筒(2000A)
Copyright © 镇江市丹高电器有限公司 All Rights Reserved
苏ICP备2024097507号
苏公网安备32110102321166号
公司简介
|
销售网络
|
联系我们
留言标题:
*
你的姓名:
联系电话:
电子邮箱:
联系地址:
留言内容:
验证码: