搜索
产品展示
研发、生产及销售中高压电力电缆附件

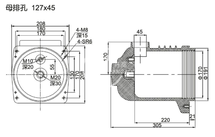
CHZ1-10/208×208(3150A)

产品型号:CHZ1-10/208×208(3150A)

所属分类:环氧树脂浇注绝缘件

在线订购

产品详情

071_CHZ1-10/208×208(3150A)_2_第22页_环氧树脂浇注触头盒.jpg

上一篇:CHZ1-10/270×270(4000A)

下一篇:CHZ2-10/148×150(630-1250A)