搜索
产品展示
研发、生产及销售中高压电力电缆附件

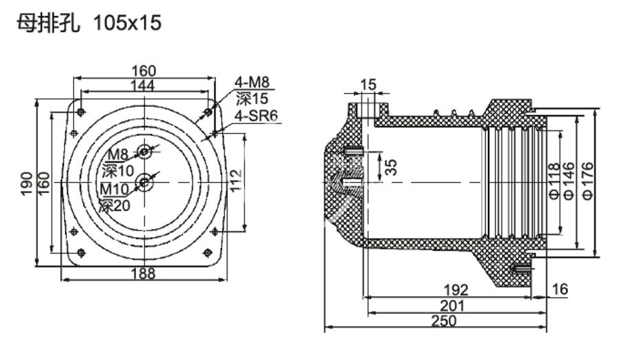
CHZ1A-10Q/188×190(1250-1600A)

产品型号:CHZ1A-10Q/188×190(1250-1600A)

所属分类:环氧树脂浇注绝缘件

在线订购

产品详情

069_CHZ1A-10Q/188×190(1250-1600A)_2_第21页_环氧树脂浇注触头盒.jpg

上一篇:CHZ2-10/148×150(630-1250A)

下一篇:CHZ1A-10/148×150(630-1250A)